
摘要:分布式光伏作為可再生能源的一種重要形式,能夠根據不同場地的實際情況進行定制,盡可能地利用可用空間,減少對傳統化石燃料的依賴,也能降低溫室氣體排放、改善環境質量。在政策支持和市場需求的雙重推動下,隨著技術的不斷創新,光伏組件的效率不斷提高,同時安裝和維護成本持續降低,更多企業、工廠通過在其辦公樓、研發中心和生產基地等場所安裝光伏發電設施,有效降低能源成本的同時也提升了企業的綠色形象和社會責任感。本文就安科瑞Acrel-1000DP分布式光伏監控系統和光功率預測軟件在和光同程一期屋頂分布式光伏發電項目中的應用方案進行了介紹,項目同時涉及到數據的調度上傳,因此配備了縱向加密和正反向隔離等裝置來確保數據的安全,防止潛在的網絡攻擊和數據泄露。
關鍵詞:分布式光伏;光功率預測;調度上傳
1概述
和光同程光伏科技(宜賓)有限公司成立于2023年3月,落地于四川省宜賓市敘州區,總占地926畝,公司專注于晶硅太陽能電池的制造、生產和銷售。
宜賓高新區和光同程一期屋頂分布式光伏發電項目(以下簡稱“本項目")利用和光同程一期電池生產車間屋頂建設分布式光伏發電項目,總裝機容量為19.9MWp(指直流側19.9MWp,交流側升壓變容量合計20MVA)。本項目布置4個分布式光伏電站,每個電站直流側裝機4.975MWp,交流側升壓變壓器容量為2×2.5MVA,在每個電站分別新建一回10kV線路接入和光同程廠區內既有的四個配電室:S1-配電室1、S1-配電室2、S2-配電室1、S2-配電室2,經同程220kV專用站接入公網。
由于各配電室之間距離較遠,本項目通過光纖組網。在4個分布式光伏電站側分別部署安全自動裝置屏;Acrel-1000DP分布式光伏監控系統部署在S2-配電室1中,搭配一套光功率預測系統,用于預測光伏發電量、響應調度調控,配置一臺云平臺網關,將數據上傳至AcrelCloud-1200分布式光伏運維云平臺,便于用戶日常運維管理光伏電站;調度數據網屏安裝在220KV電站通訊室,新建光伏的數據借用220kV變電站原有光傳輸設備接入調度系統,本項目僅配置調度數據網設備。
2 分布式光伏設計
本項目電量消納方式采用“自發自用",預計年均發電總量約1495萬kwh,年平均利用小時數為752h。每個光伏電站設置兩臺箱變,經升壓變就地升壓為10kV,集中匯流至就近10kV光伏開關站,接入既有配電房10kV母線后供全站使用。光伏組件采用平鋪設計,共使用35840塊組件組成2240個組串,每16路組串接至1臺光伏逆變器,逆變器140臺,2.5MVA變壓器8臺,總容量為20MVA,單個并網點容量為5MVA。

圖2.1 光伏接入系統示意圖

圖2.2 光伏組件布置圖
3 技術方案
本項目采用Acrel-1000DP分布式光伏監控系統搭配光功率預測軟件,同時配置AcrelCloud-1200分布式光伏運維云平臺,來實現對整個光伏發電站的掌控與優化。
在分布式光伏電站側分別配置防孤島保護裝置、電能質量在線監測裝置、防逆流保護裝置等安全自動裝置;在220KV電站配置1套調度數據專網接入設備及其配套的二次系統安全防護裝置;由于光伏電站自發自用不上網,所以不設置貿易關口點,在4個分布式光伏電站10kV并網開關用戶側分別設置發電量計量,并配置電能量采集終端4套,電能量數據接入國網四川省電力公司電力用戶用電信息采集系統。
3.1. 安全自動裝置
1)頻率電壓緊急控制裝置
裝置能夠實時監測電網的頻率和電壓,一旦檢測到超出設定范圍的異常情況,立即啟動控制策略,通過調整發電機出力、切除部分負荷或投入補償設備等方式,快速恢復電網的頻率和電壓至正常水平,確保電力供應的連續性和可靠性。
2)防孤島裝置
在電網失電的情況下,分布式電源未能夠及時與電網斷開連接,會形成孤島狀態,這種狀態可能造成分布式電源不可控、電網恢復時的電壓和頻率不匹配等問題,也可能導致電力工作人員在不知情的情況下進行危險的操作。防孤島裝置通過實時監測電網狀態,一旦檢測到電網斷電,能夠在規定的時間內迅速切斷分布式電源與電網的連接,從而保障電網的安全運行和維修人員的人身安全。
3)防逆流裝置
防逆流裝置的主要功能是在光伏發電系統產生的電能超過用戶自身消耗時,防止多余的電能逆流進入公共電網。當裝置檢測到電網電壓低于光伏系統電壓時,會立即啟動,自動切斷光伏系統與電網的連接,保證電網的穩定和安全。
3.2. 調度數據網設備
1)縱向加密裝置
縱向加密裝置通過采用先進的加密技術,來確保信息在傳輸過程中的機密性和完整性。裝置通過將數據進行加密處理,使得即使信息在傳輸過程中被截獲,未經授權的第三方也無法解讀其中的內容。
2)正反向隔離裝置
正反向隔離裝置通過物理或邏輯手段將不同安全等級的網絡區域隔離開來,有效防止了網絡間的直接通信,從而避免了潛在的信息泄露和攻擊。同時,裝置支持在兩個隔離的網絡區域之間進行單向的、安全的數據交換,在數據傳遞過程中會對數據進行簽名驗證、內容過濾、有效性檢查等處理,以抵御病毒等惡意攻擊,確保數據的合法性和安全性。
3)Ⅱ型網絡安全監測裝置
Ⅱ型網絡安全監測裝置搭配探針軟件能夠實時監測系統中的網絡流量和數據包,通過探針軟件的深度分析,識別和記錄潛在的網絡安全威脅和異常行為,及時發出警報并采取相應措施,從而有效防止網絡攻擊、數據泄露和系統故障,為系統的可靠運行提供堅強的網絡安全支撐。
3.3. 視頻監控子系統
視頻監控系統為維護電站的安全與運行提供了堅實保障。通過配置顯示器、硬盤錄像機、交換機等設備,接入分布在各地的攝像頭,可以實時監測電站周邊環境,防止非法入侵或破壞行為。
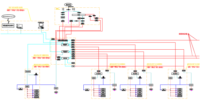
4 系統結構
本項目致力于構建一個智能的光伏電站管理體系,集成了一套先進的分布式光伏監控系統Acrel-1000DP與光伏運維云平臺AcrelCloud-1200,系統結構采用分層分布式,分成站控層、通信層和設備層。
站控層負責對整個系統進行集中管理和控制。操作員可以實時監控系統狀態,進行數據分析與處理,從而實現對生產過程的智能調度與優化。
通信層負責信息傳遞與數據交互,確保各個設備和系統組件之間能夠無縫連接和協同工作,此外,通信層還可以支持多種網絡拓撲結構,適應不同規模和需求的應用場景,保證系統的靈活性和可擴展性。
設備層涵蓋了各種傳感器、執行器和控制器等硬件設備。這些設備負責采集現場數據并執行控制指令,是實現自動化操作的核心。

圖4.1系統拓撲圖
項目配置設備清單如下表所示:
表4.1 方案設備列表




5 現場圖片



6 系統功能
6.1. 綜合看板
在分布式光伏電站的管理與運營中,集成了發電功率監測、裝機容量記錄、發電量統計及光伏收益計算等核心功能的綜合看板非常有必要,可以幫助管理人員掌握電站的運行狀況,同時,通過數據可視化,用戶能夠看到清晰的環保效益展示。

圖6.1 云平臺綜合看板
6.2. 運維管理
運維管理其核心在于規范地處理各種運維任務,涵蓋了任務發布、記錄與閉環等多個環節,同時平臺支持運維事件打分功能。
操作票管理也是運維管理的重要環節,系統能夠對操作票的創建、審批和執行進行管理,確保每個操作都有據可依,提高整體運維效率。

圖6.2 運維管理界面
6.3. 光伏發電功率預測
系統統通過傳感器、監測設備采集光伏電站的實時數據,包括光照強度、溫度、風速等氣象信息,結合歷史發電數據,利用先進的算法和模型對光伏發電系統輸出功率進行預測。光功率預測的準確性對電力調度、能源管理以及電網的穩定性至關重要,能夠幫助電力公司優化能源分配、減少棄光現象,并提高可再生能源的利用效率。

圖6.3 光伏功率預測界面
6.4. 電能質量在線監測
系統可以對整個供電系統的電能質量包括穩態狀態和暫態狀態進行持續監測,使管理人員實時掌握供電系統電能質量情況,以便及時發現和消除供電不穩定因素。在供電系統主界面上應能實時顯示各電能質量監測點的監測裝置通信狀態、各監測點的A/B/C相電壓總畸變率、三相電壓不平衡度百分比和正序/負序/零序電壓值、三相電流不平衡度百分比和正序/負序/零序電流值。

圖6.4 電能質量諧波數據監測界面
7 結語
在屋頂光伏發電項目中,分布式光伏監控系統可以實現能源資源的有效整合。系統通過對分散的光伏發電設備進行實時監控,不僅能夠收集和分析各個發電單元的運行數據,還能將這些信息匯總上傳云平臺,為用戶提供電能管理解決方案。配套光功率預測軟件,系統采用了先進的數據分析技術,能夠實時掌握光照變化、設備狀態及發電效率,從而生成光功率預測信息,幫助用戶更科學地規劃光伏發電與用電策略,實現經濟效益與環境效益的雙贏。
聯系我們
江蘇安科瑞電器制造有限公司 公司地址:江陰市南閘鎮東盟工業園區東盟路5號掃一掃 更多精彩
微信二維碼
微信公眾號