
摘要:光伏發電監控系統,匯流箱、逆變器、交直流配電柜、太陽跟蹤控制系統等設備進行實時監控和控制,通過各種樣式的圖表及數據快速掌握電站的運行情況,其友好的用戶界面、強大的分析功能、完善的故障報警確保了太陽能光伏發電系統的可靠和穩定運行。
關鍵詞:光伏發電;智能電力儀表;Acrel-2000;電力監控系統。
1 概述
本項目主要是通過電力監控系統實時監測廣西交投大廈屋頂光伏發電,使用安科瑞品牌匯流箱AGFT-M4、深圳科士達逆變器KSG1-100K、利城環境檢測儀實時監測環境參數,并網柜使用安科瑞多功能儀表計量發電量。以上設備通過RS485通訊與后臺組網。
2 需求分析
為保證光伏發電系統的正常工作。需要對項目現場的匯流箱、逆變器進行電壓、電流、功率等參數進行實時在線監控。通過環境監測儀實時掌握天氣情況,一旦監控點被監視參數異常,能夠及時越限報警,有關人員采取相應的措施,避免安全事故的發生。自動抄表功能節省了人力物力,功率趨勢曲線功能能夠直觀的顯示各回路的工作狀態,便于用戶了解整個光伏發電系統運行情況。
數據采集
自動采集現場所有電量儀表的模擬量數據,自動采集現場開關狀態以及故障狀態等開關量數據。
支持實時采集、自動周期采集(定時采集)可配置周期(1分鐘~24小時)。
支持數據傳輸正確性檢驗,異常數據自動處理。
支持多線程處理機制,提高數據采集效率,能同時對多個設備進行數據采集。
數據實時顯示采用光伏發電主接線圖直觀顯示模式,各回路開關斷合以及故障狀態直觀可見。
數據分析與處理
數據的綜合統計、分析需要實現以下功能:
各匯流箱發電數據小時、日、月、年等時間段內發電量的統計、計算。
統計各分站及整體的發電量。
權限管理
要求對不同用戶賦予不同角色的權限,能授權到功能子菜單、具體檔案記錄、數據記錄等。
系統要求具備合理完善的用戶安全控制機制,能使應用環境中的信息資源得到有效地保護,防止信息的丟失、失竊和破壞。
為生產節能改造提供數據支撐,并能提供節能改造前后的效果評估。
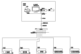
3 系統方案
安科瑞Acrel-2000系統根據廣西交投大廈光伏發電項目現場實際情況,整體網絡結構采用屏蔽雙絞線直接接至數據采集器然后通過光纖將數據上傳至值班室的監控主機,保障了電力監控系統傳輸的穩定性與實時性。
1)站控管理層
站控管理層針對電力監控系統的管理人員,是人機交互的直接窗口。在廣西交投大廈光伏發電項目工程中主要指置于地下一層配電室的監控主機。
2)網絡通訊層
通訊層主要是由采集器、以太網設備及總線網絡組成。通訊管理機主要功能是監測現場智能儀表;以太網設備及總線網絡的主要功能是實現分站與主站之間的數據交互,使發電系統管理集中化、信息化、智能化,提高了發電系統的安全性、可靠性和穩定性,達到了無人值守的目的。
3)現場設備層
現場設備層是數據采集終端,主要由智能儀表組成,智能儀表通過屏蔽雙絞線RS485接口,采用MODBUS通訊協議總線型連接接入通訊服務器,通訊服務器通過光纖到達該值班室監控主機進行組網,實現遠程監控。
系統結構圖

4 系統功能
光伏發電一次實時系統圖為主監控畫面,主要實時監測變電所所有回路的運行狀態,紅色代表合閘,綠色代表分閘。在系統圖中可以直觀的看到每路進線和出線的運行參數和狀態,可以看到匯流箱、并網柜、逆變器等設備的所有常規電力參數,如:電壓、電流、發電功率、總發電量等。如下圖所:

一次系統圖
監控系統可分區域實時監控各光伏陣列的充電電壓及電流、蓄電池電壓及溫度等信息,并對故障點進行異常顯示與報警提示。
可針對光伏發電現場的各種事件進行記錄,如:通訊采集異常、開關變位、操作記錄等,時間記錄支持按類型查詢,并可對越限報警進行更改設置如下圖所示:

報警功能實時查詢
參數抄表功能,主要對匯流箱各回路的電參數進線查詢。支持任意時刻電參數查詢,具備數據導出和報表打印等功能。該報表查詢廣西交投大廈光伏發電各發電回路的電參數,主要包括:電流、發電功率和發電量。該報表各回路名稱和數據庫關聯,方便用戶修改回路名稱。如下圖所示:

電參數抄表
系統通訊結構示意圖,主要顯示系統的組網結構,系統采用分層分布式結構,同時監測間隔層設備的通信狀態。紅色表示通訊正常,綠色表示通訊故障。下圖為變電所通訊狀態示意圖。

通訊結構示意圖
5 總結語
在光伏發電系統中,發電系統的安全性至關重要,本文介紹的Acrel-2000電力監控系統在廣西交投大廈光伏發電項目的應用,可以實現對發電回路的電參量的實時監控,不僅能顯示回路發電狀況,還具有網絡通訊功能,可以與串口服務器、計算機等組成電力監控系統。系統實現對采集數據的分析、處理,實時顯示光伏系統的運行狀態,對參數越限具有彈出報警對話框、語音提示,并生成各種電能報表、分析曲線、圖形等,便于電能的遠程抄表以及分析、研究,該系統運行安全、可靠、穩定,為項目解決用電問題提供了真實可靠的依據,取得了較好的企業效益。
聯系我們
江蘇安科瑞電器制造有限公司 公司地址:江陰市南閘鎮東盟工業園區東盟路5號掃一掃 更多精彩
微信二維碼
微信公眾號